অন্যান্য সুপরিচিত পণ্য
| Yasakawa মোটর, ড্রাইভার SG- | মিত্সুবিশি মোটর এইচ সি-, হা- |
| ওয়েস্টিংহাউস মডিউল 1 সি-, 5 এক্স- | এমারসন ভিই-, কেজে- |
| হানিওয়ের টিসি-, টি কে- | জিই মডিউল আইসি - |
| Fanuc মোটর A0- | Yokogawa ট্রান্সমিটার EJA- |
ক্রিয়া
140 এসিআই 040 00 একটি 16 টি চ্যানেল এনালগ ইনপুট মডিউল যা মিশ্র বর্তমান ইনপুট গ্রহণ করে।
চিত্রণ
নিম্নলিখিত চিত্রটি দেখায় 140 ACI 040 00 মডিউল এবং এর উপাদান। 
1 মডেল সংখ্যা, মডিউল বর্ণনা, রঙ কোড
2 LED ডিসপ্লে
3 ফুস কাটা
4 ফিল্ড তারের টার্মিনাল স্ট্রিপ
5 অপসারণযোগ্য ডোর
6 গ্রাহক পরিচয় লেবেল (ভাঁজ লেবেল এবং দরজা ভিতরে রাখুন)
দ্রষ্টব্য: ক্ষেত্রের তারের টার্মিনাল ফালা (Modicon # 140 XTS 002 00) আলাদাভাবে আদেশ করা আবশ্যক। (টার্মিনাল প্যাচ অপসারণযোগ্য দরজা এবং লেবেল অন্তর্ভুক্ত।)
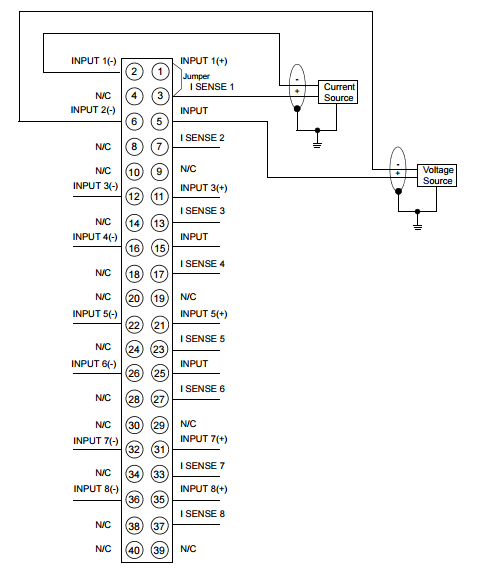
140 এসিআই 040 00 মডিউল জন্য ওয়্যারিং ডায়াগ্রাম। 
ওয়্যারিং ডায়াগ্রাম নেভিগেশন নোট
বর্তমান উৎস ব্যবহারকারী দ্বারা সরবরাহ করা হয় (fusing ব্যবহারকারীর বিবেচনার ভিত্তিতে হয়।)
একটি ঢালযুক্ত তারের ব্যবহার করা আবশ্যক। শোরগোল পরিবেশে বাঁকা তারের মধ্যে প্রস্তাবিত হয়। রক্ষা করা তারের একটি মাটির কাছাকাছি পৃথিবীর মাটিতে বাঁধা ঢাল থাকা উচিত
সংকেত উত্স শেষ
অব্যবহৃত ইনপুটগুলি F LED এর সক্রিয়করণের কারণ হতে পারে। এই ঘটনাটি এড়ানোর জন্য অব্যবহৃত চ্যানেলগুলি 0 ... 25 এমএ রেঞ্জের মধ্যে কনফিগার করা উচিত।
চ্যানেল কাজ ভোল্টেজ চ্যানেল সর্বোচ্চ চ্যানেল 30 VDC অতিক্রম করতে পারে না।
এন / সি = সংযুক্ত নয়
যখন ক্ষেত্রের I / O মডিউল wiring, সর্বাধিক তারের মাপ যা ব্যবহার করা উচিত -1-14 AWG বা 2-16 AWG; ন্যূনতম সাইজ 20 এডব্লিউজি।
রেজোলিউশন / রূপান্তর
রেজোলিউশন 0 ... 25,000 সংখ্যা
0 ... ২0,000 সংখ্যা
0 ... 16,000 সংখ্যা
0 ... 4,095 সংখ্যা
সম্পূর্ণ নির্ভুলতা ত্রুটি @ 25 ডিগ্রী সি
পূর্ণ স্কেল +/- 0.125%
লিনিয়াররিটি (0 থেকে 60 ডিগ্রি সি) +/- 12 মাইক্রোএ সর্বোচ্চ, 4 ... ২0 এমএ
+/- 6 মাইক্রোএ সর্বোচ্চ, 0 ... ২5 এমএ
+/- 6 মাইক্রোএ সর্বোচ্চ, 0 ... 20 mA
+/- 6 মাইক্রোএ সর্বোচ্চ, 4 ... ২0 এমএ
তাপমাত্রার সাথে নির্ভুলতা ড্রিফটিক: +/- 0.0025% পূর্ণ স্কেল / ডিগ্রি সি
সর্বোচ্চ: +/- 0.005% পূর্ণ স্কেল / ডিগ্রি সি
প্রচলিত মোড প্রত্যাখ্যান -90 ডিবি @ 60 Hz
ইনপুট ফিল্টার একক মেরু নিম্ন পাস, -3 ডিবি cutoff @ 34 Hz, +/- 25%
হালনাগাদ সময় 15 মিঃ সমস্ত চ্যানেলের জন্য 
পরামিতি এবং ডিফল্ট মান
নাম ডিফল্ট মান বিকল্প বিবরণ
ম্যাপিং ওয়ার্ড (% IW-3X) -
ইনপুট শুরু ঠিকানা 1 -
ঠিকানা শেষ ঠিকানা 9-টাস্ক
(গ্রেড যদি মডিউল ইন
স্থানীয় ছাড়া অন্য)
মস্ত মুষ্টি
AUX0
AUX1
AUX2
AUX3
এমএমটি যদি স্থির হয়
মন্তব্যে অন্য যে কোনও জায়গায়
Module_Configuration
রেজোলিউশন 1.0 ডিগ্রী 0.1 ডিগ্রি
আউটপুট ইউনিট Centigrade ফারেনহাইট
মূল্য প্রকার টেম্প রুই মান
