মিত্সুবিশি এমআর -২2 এস -40 বি এসি সার্ভার ড্রাইভার 2.3 এ 200 ভি 400 ডি 1.3 এম 3000 এলপি এসি সার্ভার মোটর ড্রাইভ
মিত্সুবিশি এমআর- J2S-40 B পণ্য তথ্য এবং প্রযুক্তিগত পরামিতি:
ব্র্যান্ড: মিত্সুবিশি
নাম: এসএসসিএনইটি ইন্টারফেস সার্ভার পরিবর্ধক
মডেল: এমআর- J2S-40B
| অংশ সংখ্যা: | এম আর-J2S-40B |
| ব্র্যান্ড: | মিত্সুবিশি |
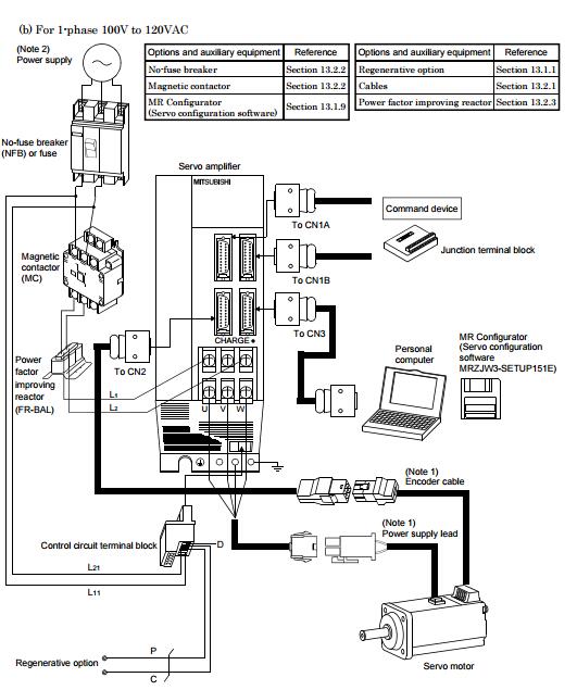
| ভোল্টেজ, বৈদ্যুতিক একক বিশেষ: | 3 ফেজ AC200VAC বা একক ফেজ AC230V |
| উৎপাদনের হার: | 0.4kw। |
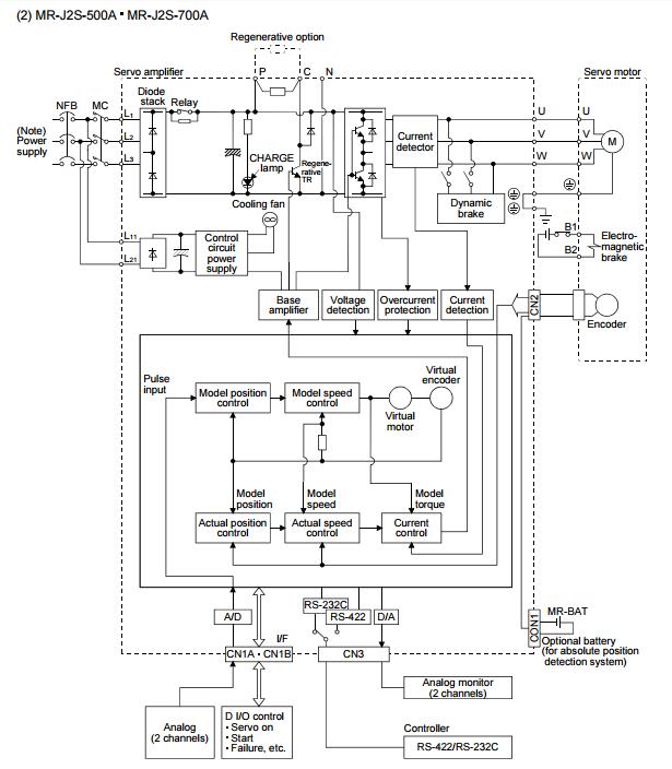
মিত্সুবিশি সাধারণ উদ্দেশ্য এসি সার্ভার পরিবর্ধক MELSERVO-J2- সুপার সিরিজ।
রেট আউটপুট: 0.4 কেজি।
SSCNET ইন্টারফেস
ভোল্টেজ: 3 ফেজ AC200VAC বা একক ফেজ AC230V
SSCNET উচ্চ গতির সিরিয়াল যোগাযোগের সাথে সম্পূর্ণ সিঙ্ক্রোনাইজেশন সিস্টেম,
কন্ট্রোলার এবং সার্ভার পরিবর্ধক মধ্যে যোগাযোগ চক্র দীর্ঘতম 0.888ms হয়।
এই ধরনের সিস্টেম উচ্চ নির্ভরযোগ্যতা এবং উচ্চ কর্মক্ষমতা প্রদান করতে সক্ষম হবে।
SSCNET সঙ্গে সার্ভার সিস্টেম সংযোগ করার সময়,
মোশন সিস্টেম ইন, সার্ভার পরিবর্ধক এবং তথ্য অধিগ্রহণের পরামিতি গতি নিয়ামক প্রদর্শিত হবে।
একটি এসএসসিএনইটি সিস্টেম গঠন একটি এম্প্লিফায়ার এবং একটি নিয়ামক সঙ্গে একটি ডেডিকেটেড তারের সাথে সংযোগ করুন।
এই সহজ সংযোগ পদ্ধতি রাউটিং সময় হ্রাস এবং গোলমাল প্রতিরোধ করতে সাহায্য করে।
এমনকি MELSERVO-J2-SUPER সিরিজ পণ্য উচ্চ রেজল্যুশন কোডিং মান ব্যবহার করে, কমান্ড ফ্রিকোয়েন্সি কোন সীমা নেই।
এটি কেবলমাত্র সার্বজনীন মূল্য সিস্টেম গঠন করতে পারে যা সার্ভার পরিবর্ধক, উপর একটি ব্যাটারি যোগ করার প্রয়োজন।
বর্তমানে ব্যবহারযোগ্য 1000000 এরও বেশি উচ্চ নির্ভরযোগ্যতা SSCNET সার্ভার এম্প্লিফায়ার নেটওয়ার্ক রয়েছে।


মোটর বিশেষ উল্লেখ:
ড্রাইভ বিশেষ উল্লেখ:
একই পণ্য:
